MBT Prüfung 2005


Aufgabe 3 - CNC-Fräsen

25 BE

 

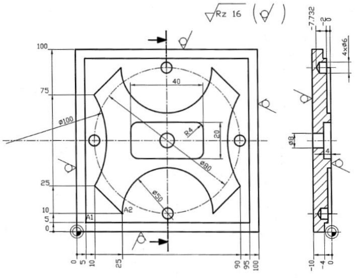
Konturplatte

Die in der Fertigungszeichnung (siehe Abbildung) dargestellte Konturplatte ist auf einer Senkrecht-Konsolfräsmaschine zu fertigen.

 

 Werkstück 
  Die Spindeldrehzahl ist auf 4000 min-1 begrenzt.
 
Für die Bearbeitung stehen Ihnen die in der Werkzeugliste aufgeführten Werkzeuge zur Verfügung.
Werkzeugliste
 
Die Bearbeitungsreihenfolge am Werkstück ist im nachfolgenden Arbeitsfolgeplan festgelegt:
Arbeitsfolgeplan:
1. Fräsen der Außenkontur ab Punkt A1
2. Fräsen der Kontur ab Punkt A2
3. Fräsen der Rechtecktasche
4. Zentrieren / Ist bei der Programmierung nicht zu berücksichtigen!
5. Bohren der Mittelbohrung Ø 8
6. Bohren der Lochkreisbohrungen Ø 6

 
Teilaufgaben:
 
3.1 Welche Werkzeuge aus der Werkzeugliste sind für die Bearbeitung der Konturplatte nicht geeignet? Begründen Sie Ihre Antwort.
Berechnen Sie für alle anderen die für die Programmierung benötigten Schnittwerte.

(5 BE)

   
3.2 Erstellen Sie das CNC-Programm unter Beachtung der im Arbeitsfolgeplan festgelegten Bearbeitungsreihenfolge.
Hinweise:
Die Bearbeitungsschritte 1 und 2 des Arbeitsfolgeplans sind im Gleichlauf mit Fräserradiuskorrektur auszuführen.
Rechtecktasche und Lochkreis sind mit Zyklen zu bearbeiten.
Der Startpunkt liegt bei X150, Y150, Z100, der Werkzeugwechselpunkt bei X150, Y-50, Z100.

(20 BE)